江蘇金昇實業股份有限公司 |
|
| 聯系人:金昇實業 | 電話:0519-82314836/82319890 |
| 傳真:0519-82319916/-82319890 | 地址:金壇市華城路98號 |
| 郵編:213200 | 郵箱:jsmarketing@jingsheng.saurer.com |
| 網址:http://www.cn-jtmw.com/ | |
我們生產的系列鋼領專供環錠細紗機和捻線機使用,適紡棉、化纖、或棉、化纖混紡。在鋼絲圈線速度高達38米/秒以上時,以使用ZM型系列的鋼領為佳。

1、平面鋼領及錐面鋼領的使用說明
使用說明:
1、新鋼領上車前,只需用清潔柔軟的布料揩拭表面,以去掉油脂,不需再經任何表面處理。
2、新鋼領上車可選擇在管底成型結束后,中紗時進行。 3、鋼絲圈應選用比正常型 號輕1號。
4、箱內有“SLG鋼領潤滑脂”(40克)。新鋼領上車,嵌好鋼絲圈后,開車之前在鋼領內跑道涂上少許“鋼領潤滑脂”。一般一臺車只需20克左右,可潤滑鋼領工作面,縮短走熟期。
5、第一次調失鋼絲圈應在第二落紗時的中紗進行,以后可按正常換圈周期調換。
6、細紗機開動前,應檢查和調整導紗鉤、定子和鋼領中心的同軸度。
主要性能:
1、PG,PG-NC型鋼領的內跑道由多圓弧相接而成,抗楔性能較好。由于內跑道較深,頸壁薄,因此,鋼絲圈在運行時,腳不碰內外壁,不會產生突變張力。
2、ZM型鋼領的內跑道設計成特殊的傾斜形,鋼絲圈運行時自由度大,且與鋼領的接觸面積增加,因此,壓強降低,磨損減少,散熱性能較好。
3、鋼領全都經過特殊的表面處理,上車容易走熟,斷頭少。
4、適紡各種支數的紗線,錠速可提高到16000轉/分以上。
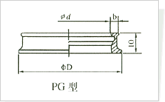
2、綱領規格
![]() |
![]() |
![]() |
![]() |
3、鋼領與鋼絲圈的選配參考
![]() |
鋼領規格:PG or PG-NC |
4、系列鋼領









|
無錫二橡膠股份有限公司 |
常州市潤源經編機械有限公司 |
|
青島云龍紡織機械有限公司 |
黃石經緯紡織機械有限公司 |