江蘇金昇實業股份有限公司 |
|
| 聯系人:金昇實業 | 電話:0519-82314836/82319890 |
| 傳真:0519-82319916/-82319890 | 地址:金壇市華城路98號 |
| 郵編:213200 | 郵箱:jsmarketing@jingsheng.saurer.com |
| 網址:http://www.cn-jtmw.com/ | |
產品用途:
QYJ3-125V型氣加壓搖架是用壓縮空氣作壓力源的新型牽伸加壓裝置,用于三羅拉、雙皮圈、"V"型牽伸式的現代棉紡環錠細紗機上,適用純棉或60mm以下的化纖。

結構特點:
1、 壓力值動態穩定性好,吸振能力強、可適應機器高速運轉,且日久不產生壓力衰退。具有加壓穩定、準確、錠向壓力差異小,壽命長、結構簡單、維修方便等特點。
2、 可通過調節氣囊中壓力的大小使整臺細紗機的搖架處于加壓、釋壓或半釋壓狀態。因此極大地減輕工人的操作勞動和有效地減少重開車時的細紗斷頭率。
3、 當紡制不同的纖維長度的原料、需要調整搖架前、后區隔距時,搖架的三檔壓力比值仍大致固定,壓力的具體值又可藉改變氣囊中的壓力強度來無級調節。
4、 各個羅拉握持部分頂部的中央凸弧,能很好的保證搖架左右兩錠的壓力一致。
5、 前、中加壓桿組為一體套裝在后分配桿內,可嚴格保證搖架主牽伸區羅拉的平行度。
6、 鎖緊裝置采用四連桿結構,鎖緊可靠,加、卸壓輕便。釋壓后,可掀起至剛性定位角60°,以方便清潔和維修。
技術規格:

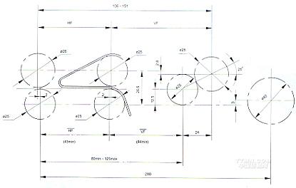
安裝尺寸圖:










|
無錫二橡膠股份有限公司 |
常州市潤源經編機械有限公司 |
|
青島云龍紡織機械有限公司 |
黃石經緯紡織機械有限公司 |