- [新聞]-->開拓 創新 勤奮 求實
- [新聞]-->無錫明珠紡織專件有限公司展品
- [新聞]-->創新無止境 明珠永流傳
- [產品]-->氣流紡皮輥軸承
- [產品]-->SKF系列上羅拉軸承
- [產品]-->電化學螺旋拋光上羅拉軸承SL-6819A-A
您所在的位置:紡機網 >> 無錫明珠紡織專件有限公司 >> 老機工字系列
產品推薦
產品分類
聯系方式
- 聯系人:孫金山
- 郵 箱:wxmingzhu@163.com
- 地 址:江蘇省無錫市惠山區玉祁鎮民主村
- 手 機:13906173045
- 電 話:0510-83890100
- 傳 真:0510-83880435
- 網 址:http://www.wxmzfz.com
老機工字系列
發布時間:2012-04-18
老機工字系列
.gif)
.jpg)
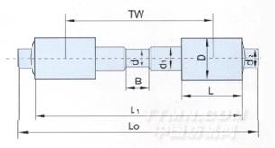
概述:
本產品選用優質軸承鋼制造,雙列滾珠結構,表面光潔度高,圓度好,磨削精度高,芯軸與芯殼內的溝槽光滑,弧度一致,兩滾珠道距離平直,無差距。鋼球硬度與芯殼硬度相互匹配,摩擦力小,運轉平穩,動力消耗少,有效地延長了使用壽命。
主要技術參數:
| 型號 | 錠距 (TW) |
外殼 (D×L) |
握持擋 (d×B×d1) |
軸頭 (d2) |
工字檔 (L1) |
總長 (Lo) |
| SLZ-6018 | 60.5 | Φ18×34 | Φ10.5×13×Φ11.5 | 9.5 | 94.5 | 106 |
| SLZ-6317 | 63.5 | Φ17×34 | Φ10.5×13×Φ11.5 | 9.5 | 97.5 | 114 |
| SLZ-6318 | 63.5 | Φ18×34 | Φ10.5×13×Φ11.5 | 9.5 | 97.5 | 114 |
| SLZ-6518 | 65 | Φ18×34 | Φ10.5×13×Φ11.5 | 9 | 99 | 119 |
| SLZ-6617 | 66.5 | Φ17×34 | Φ10.5×13×Φ11.5 | 9.5 | 100.5 | 119 |
| SLZ-6618 | 66.5 | Φ18×34 | Φ10.5×13×Φ11.5 | 9.5 | 100.5 | 119 |
| SLZ-6218 | 62 | Φ18×34 | Φ10.5×13×Φ11.5 | 9.5 | 96 | 120 |
| SLZ-7018 | 70 | Φ18×34 | Φ10.5×13×Φ11.5 | 9.5 | 104 | 120 |
| SLZ-7017 | 70 | Φ17×34 | Φ10.5×13×Φ1.5 | 9.5 | 104 | 126 |
| SLZ-7018 | 70 | Φ18×34 | Φ10.5×13×Φ1.5 | 9.5 | 104 | 126 |
| SLZ-6319E | 63.5 | Φ19×24 | Φ10.5×13×Φ11.5 | 11 | 87.5 | 114 |
| SLZ-6619E | 66.5 | Φ19×24 | Φ10.5×13×Φ1.5 | 11 | 90.5 | 120 |
| SLZ-6625E | 66.5 | Φ25×26 | Φ10.5×13×Φ1.5 | 12 | 92.5 | 120 |
| SLZ-7019 | 70 | Φ19×45 | Φ12×13×Φ3.5 | 12 | 115 | 138 |
| SLZ-8018 | 80 | Φ19×50 | Φ12×18×Φ3.5 | 11 | 130 | 153 |
| SLZ-8225E | 82.5 | Φ25×45 | Φ11×28×Φ2.6 | 11 | 127.5 | 153 |






