- [新聞]-->鼎豐紡器開發出自動穿經用鋼片綜
- [新聞]-->熱烈慶祝鼎豐紡器榮獲“全國紡織機械技術委員會副主任單位”稱號
- [新聞]-->鼎豐紡器亮相第十四屆上海國際紡織工業展
- [產品]-->分絞筘
- [產品]-->鋼片綜(綜絲)
- [產品]-->停經片
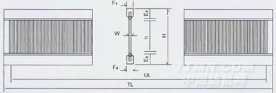
您所在的位置:紡機網 >> 紹興縣鼎豐紡織器材有限公司 >> 鋼筘系列 劍桿筘
產品推薦
產品分類
聯系方式
- 聯系人:徐光輝
- 郵 箱:zjdf@zjdingfeng.com
- 地 址:浙江省紹興縣安昌鎮九鼎村
- 電 話:0575-85654432、85642038
- 傳 真:0575-85653058
- 網 址:http://www.zjdingfeng.com








.jpg)
.jpg)
