- [產品]-->直線系列AMZ直線
- [產品]-->臺灣潭子DS心軸分割器
- [產品]-->臺灣潭子DF凸緣型分割器
產品推薦
產品分類
聯系方式
- 聯系人:陳凱
- 郵 箱:2480713845@qq.com
- 地 址:深圳市南山區創業路現代城華庭四棟10A
- 手 機:18929311955
- 電 話:0755-86170789
- 傳 真:0755-86171515
- 網 址:http://www.szpujiang.com
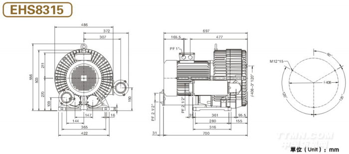
升鴻雙段鼓風機EHS8315
發布時間:2014-08-20
升鴻雙段鼓風機EHS8315
產品參數:
產品型號: EHS8315額定功率:null電壓:null風量:null風壓:null轉速/極數:null安裝方式:null
詳細參數
雙段鼓風機EHS8315(旋渦氣泵)是一種吹氣或吸氣兩用的通用氣源。風機,高壓風機,鼓風機,升鴻高壓風機,瑞昶風機,旋渦氣泵,吸風泵,吸料風機,真空泵,側流風機它主要用于:切紙機,燃燒降氧機、卷煙濾嘴成型機、電鍍槽液攪拌、霧化乾燥機、水處理爆氣、水產、絲網印刷機、照相制版機、注塑機自動上料烘干機、液體灌裝機、粉末灌裝機、電焊設備、電影機械、紙張運送、清潔用途、空氣除尖、干瓶、氣體傳送、送料、收集等方面 功率:0.18KW 0.4KW 0.75KW 1.1KW 1.75KW 2.2KW 3.7KW 4KW 5.5KW 7.5KW 9KW 13KW 20KW EHS-129 EHS-229 EHS-329 EHS-339 EHS-429 EHS-439 EHS-529 EHS-629 EHS-639 EHS-729 EHS-829 EHS-919 EHS-929 EHS-939 EHS-4337 EHS-4346 EHS-6346 EHS-6355 EHS-6375 EHS-6455 EHS-6475 EHS-8310 EHS-8315 EHS-8320 EHS-8410 EHS-8415 EHS-9320 EHS-9325 EHS-9420 EHS-9425 風壓:50mbar~650mbar 風量:40立方/小時~1134立方/小時(為方便選用不同規格,單段式/雙段式均有貨提供) 頻率:50Hz/60Hz 電壓:110V~615V(萬國電壓,各國均可使用。如需特殊電壓,可按要求定做) 釋壓閥 RV-01 RV-02(配套使用) 過濾器 MF8 MF10 MF12 MF16 MF-20 MF-32 本公司有專業的相關技術工程師,歡迎廣大客戶來電來函咨詢相關業務--風機,高壓風機,鼓風機,升鴻高壓風機,瑞昶風機,旋渦氣泵,吸風泵,吸料風機,真空泵,側流風機。






