- [產品]-->直線系列AMZ直線
- [產品]-->臺灣潭子DS心軸分割器
- [產品]-->臺灣潭子DF凸緣型分割器
產品推薦
產品分類
聯系方式
- 聯系人:陳凱
- 郵 箱:2480713845@qq.com
- 地 址:深圳市南山區創業路現代城華庭四棟10A
- 手 機:18929311955
- 電 話:0755-86170789
- 傳 真:0755-86171515
- 網 址:http://www.szpujiang.com
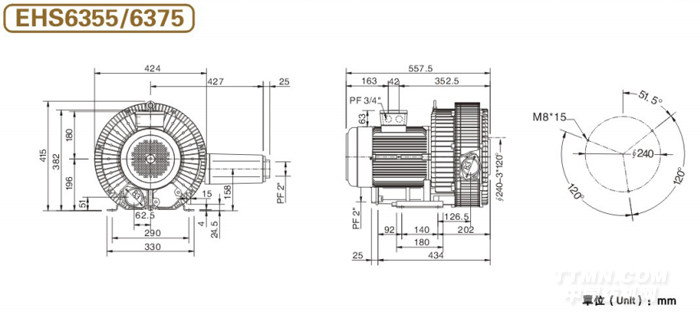
升鴻雙段鼓風機EHS6355/6375
發布時間:2014-08-20
升鴻雙段鼓風機EHS6355/6375
產品參數:
產品型號: EHS6355/6375額定功率:null電壓:null風量:null風壓:null轉速/極數:null安裝方式:null
詳細參數
雙段鼓風機EHS6355/6375
本產品高風壓,大流量,低噪音,無油污染,品質穩定,交貨快,價格合理,是您的首選! 特點: 小型.重量輕.高風壓前傾式葉片設計,體積小、質量輕較有高壓力之產生。低噪音新設計,能消除切風時生之高頻及特昳之消音材質,大幅降低噪音比。 低震動葉片均經過電腦平衡校正與高精密的機械加工,使震動降到最低。
雙段鼓風機EHS6355/6375產品規格:
擁有2500m3/h的大風量和80000Pa的壓差,當配變頻器使用后,性能還可以大幅度提高!
外形美觀、重量輕巧、無油環保、噪音低、運轉溫度低、安裝容易。
雙段鼓風機EHS6355/6375產品特點:功率范圍(200W-25KW)
1. 防銹保護外殼,防止水分滲入馬達內部。
2. 功率足、揚程高、水量大,高效率循環。
3. 噪音低,運行寧靜。
4. 泵蓋具有真空密封性,防漏水性能好。
5. 吸污能力強,隔發器容污物量大。
6. 水泵的主要部件是由耐高、低溫的特殊塑料制成,持久耐用。
7. 操作方便,維修容易,有零配件供應。
雙段鼓風機EHS6355/6375使用范圍:
適用于大型泳池及按摩浴池、噴水織機配套、切紙機、卷煙濾嘴成型機、電鍍槽液攪拌、霧化干燥機、水處理曝氣、絲網印刷機、照相機制版、注塑機自動上料、烘干機、液體灌裝機、電焊設備、電影機械、紙張運送、干洗衣服、清洗、空氣除塵、干瓶、氣體傳送、送料、收集等方面。
使用須知:
1. 須將風泵置在高于水平面干燥通風處。
2. 分氣頭安裝位置必須高于浴池的使用水位,防止水進入風泵。
3. 風泵的連接管必須采用耐熱管(大于100攝氏度不變形)。
4. 風泵必須固定安裝,連接管必須匝緊。
5. 為防止觸電事故,風泵必須可靠接地。
6. 不能堵住出風口運轉,出風量過小時風溫會升高注意防止燙傷,檢查風泵時必須斷開風泵電源。






