- [產品]-->直線系列AMZ直線
- [產品]-->臺灣潭子DS心軸分割器
- [產品]-->臺灣潭子DF凸緣型分割器
您所在的位置:紡機網 >> 深圳蒲江機電有限公司 >> 湖南升鴻EHS729/829 離心式高壓鼓風機
產品推薦
產品分類
聯系方式
- 聯系人:陳凱
- 郵 箱:2480713845@qq.com
- 地 址:深圳市南山區創業路現代城華庭四棟10A
- 手 機:18929311955
- 電 話:0755-86170789
- 傳 真:0755-86171515
- 網 址:http://www.szpujiang.com
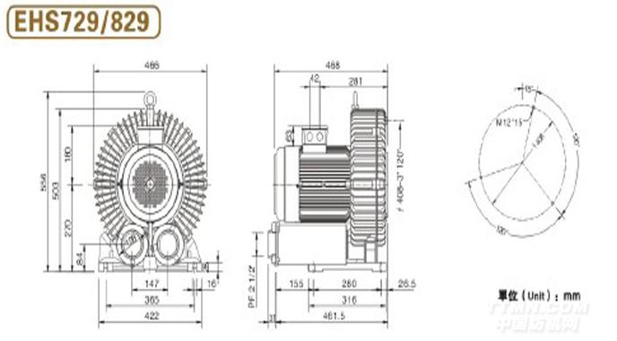
湖南升鴻EHS729/829 離心式高壓鼓風機
發布時間:2014-08-20
升鴻EHS729/829 離心式高壓鼓風機
產品參數:
產品型號: EHS729/829額定功率:null電壓:null風量:null風壓:null轉速/極數:null安裝方式:null
詳細參數
EHS729/829 離心式高壓鼓風機特點:壓力高 風量大 無油氣 免保養 壽命長 低震動,高風壓 體積小,重量輕 低噪音,新設計規格:三相交流電50HZ/60HZ 最大風量:5.2立方米/6.2立方米功率:2200W/2600W 電壓:200-240V/220-240V 346-415V/380-480V 電流:6.7A/10.6A 5.6A/6.1A
1、安裝容易:升鴻高壓風機配備齊全,可隨時安裝與使用,供壓縮空氣或用于抽真空,也可任意安裝于水平或垂直的方向。
2、無油無污染:葉輪旋轉時,不與任何其它零部件接觸,免潤滑,因此可保證風機無污染。
3、可靠性強:
a、與其他品牌做比較,升鴻高壓風機在高壓力的范圍堪稱一枝獨秀,因此當使用情況變化時,機器仍能安全運轉;
b、除了葉輪之外,高壓鼓風機沒有其他動作,因此可靠性高幾乎免維修。
4、低噪音: 低噪音馬達直接傳動,再加上一體式的消音設施,因此噪音極低。
5、高品質:高精密的加工、檢測設備及技術,使得所有零件均能達到最高品質要求,運用標準IP55 F級與H級絕緣高效率馬達,故障極少,馬達與鼓風機之間有軸承分離,預防異物進入,為確保風機品質,每一臺風機在出廠前均經過嚴格的測試。






