- [產品]-->直線系列AMZ直線
- [產品]-->臺灣潭子DS心軸分割器
- [產品]-->臺灣潭子DF凸緣型分割器
您所在的位置:紡機網 >> 深圳蒲江機電有限公司 >> 永元立式三相剎車馬達
產品推薦
產品分類
聯系方式
- 聯系人:陳凱
- 郵 箱:2480713845@qq.com
- 地 址:深圳市南山區創業路現代城華庭四棟10A
- 手 機:18929311955
- 電 話:0755-86170789
- 傳 真:0755-86171515
- 網 址:http://www.szpujiang.com
永元立式三相剎車馬達
發布時間:2014-08-20
.jpg)
永元立式三相剎車馬達
產品參數:
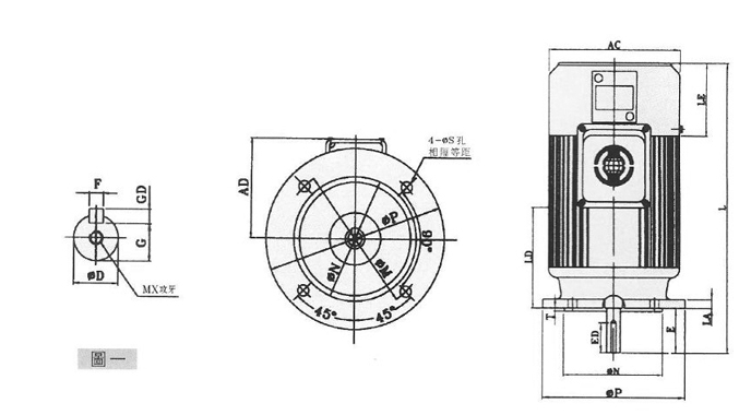
產品型號: AEVF額定功率:1/4HP-60HP電壓:380V.220V轉速/極數:2級,4級,安裝方式:立式安裝
詳細參數永元立式三相剎車馬達:
采用直流剎車,低噪音,配合結線變化。可適用多種電源,特殊內部結構,剎車制動力高,馬達剎車靈活,對于緊急停止及動停止頻繁的耐力特強,防止機械逆轉及慣性大的重負載在短時間內停止,性能優越。
特點:
剎車噪音低,采用DC剎車,無電磁聲,剎車噪音極低。
剎車頻率高,剎車來令片使用高級非石棉材質,可耐較高頻度使用,磨耗率低,且無公害/
采用原裝日本剎車器,比一般國產的剎車器耐磨,剎車片可以使用100000以上,使用壽命長
永元立式三相剎車馬達最小1/4HP,最大100HP,歡迎您的來電查詢
另我司還有通電剎車馬達,
特點:1采用E級絕緣及高級導電材料,溫升低,壽命長,性能優越 2外型輕巧,堅固耐用3優越的設計,噪音低,運轉安靜 4 啟動轉矩大,慣性小,運轉順暢,省電效果較佳,馬達強勁有力。5特性合乎國家CNS及各項國際認證等標準。6標準IEC公制尺寸,具有互換性,適合各界需要
.jpg)






