- [產品]-->直線系列AMZ直線
- [產品]-->臺灣潭子DS心軸分割器
- [產品]-->臺灣潭子DF凸緣型分割器
您所在的位置:紡機網 >> 深圳蒲江機電有限公司 >> 杰牌升降機蝸輪絲桿減速機JRSS-R系列
產品推薦
產品分類
聯系方式
- 聯系人:陳凱
- 郵 箱:2480713845@qq.com
- 地 址:深圳市南山區創業路現代城華庭四棟10A
- 手 機:18929311955
- 電 話:0755-86170789
- 傳 真:0755-86171515
- 網 址:http://www.szpujiang.com
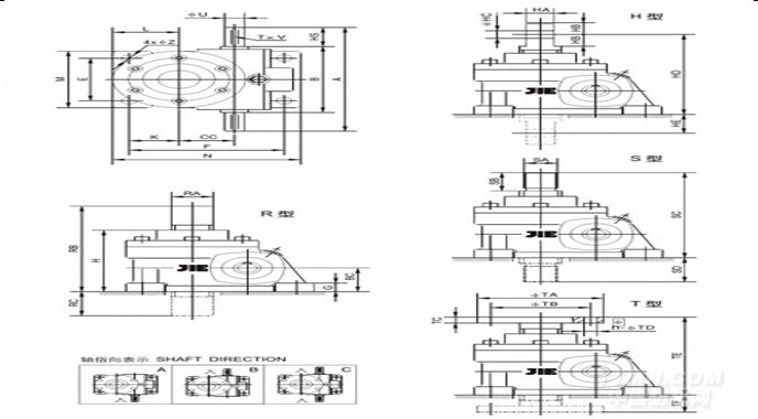
杰牌升降機蝸輪絲桿減速機JRSS-R系列
發布時間:2014-08-20
蝸輪絲桿減速機JRSS-R系列
產品參數:
產品型號: JRSS-R/T/S/H額定功率:null電壓:null轉速/極數:null減速比:null安裝方式:null
詳細參數
蝸輪絲桿減速機JRSS-R系列產品傳動效率高,低噪音,低振 動,低溫升,長壽命,無泄漏,體積小,傳動扭矩大,模塊化設計,速比覆蓋范圍大,安裝形式多樣,適合各種工業應用場合。
l 低噪音 所有齒輪運用獨特低噪聲設計和加工技術;箱體減振降噪優化設計;軸承間隙裝配調整控制技術。
2 無滲漏 輸出軸采用特殊的磨削工藝;輸出軸采用不同的熱處理方法;
采用高品質的平面密封膠和螺紋緊固膠;油封唇口涂布特殊的高溫潤滑脂。
3 長壽命 采用進口原裝一流品牌的軸承、油封;先進的熱處理技術,齒輪內在質量有了可靠的保證;使用高品質的潤滑油,確保產品長壽命使用。
蝸輪絲桿減速機JRSS-R系列詳細圖紙:






