- [產品]-->直線系列AMZ直線
- [產品]-->臺灣潭子DS心軸分割器
- [產品]-->臺灣潭子DF凸緣型分割器
產品推薦
產品分類
聯系方式
- 聯系人:陳凱
- 郵 箱:2480713845@qq.com
- 地 址:深圳市南山區創業路現代城華庭四棟10A
- 手 機:18929311955
- 電 話:0755-86170789
- 傳 真:0755-86171515
- 網 址:http://www.szpujiang.com
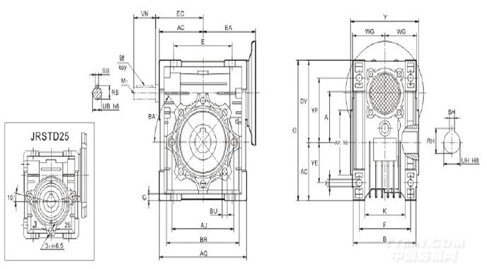
杰牌蝸輪蝸桿減速機JRSTDB系列
發布時間:2014-08-20
蝸輪蝸桿減速機JRSTDB系列
產品參數:
產品型號: JRSTDB額定功率:可匹配0.18KW~15KW電壓:null轉速/極數:null減速比:1/7.5-1/100安裝方式:null
詳細參數
蝸輪蝸桿減速機JRSTDB系列產品特點:
蝸輪蝸桿減速機JRSTDB系列和其它系列的蝸輪蝸桿減速器或減速箱有一定區別,它沒有入力軸及出力軸,采用法蘭安裝方式,減速機法蘭盤為常見的圓形法蘭盤。蝸輪蝸桿減速機JRSTDB系列箱體采用優質鋁合金壓力鑄造,確保強度。采用立式加工中心一次裝夾加工完成,確保加工精度。采用三坐標測量機檢測,確保箱體各項尺寸、形位精度。
蝸桿生產線 :采用全功能數控車床加工蝸桿齒坯,確保齒坯加工精度。 蝸輪蝸桿減速機JRSTDB系列采用優質低碳合金鋼滲碳淬火,WP、JRSS蝸桿采用中碳合金鋼表面淬火,確保蝸桿強度。采用高精度數控蝸桿磨床磨齒,確保零件精度。采用齒輪測量中心檢測,確保蝸桿各項精度符合要求。
蝸輪蝸桿減速機JRSTDB系列多置式蝸桿減速機產品采用歐洲技術,結構緊湊,體積小,重量輕,噪音低,效率高,承載能力大,具有多種聯接結構和安裝方式,通用性強。
蝸輪蝸桿減速機JRSTDB系列安裝注意事項:
1: 減速機須安裝在平整堅固的底座上,底腳螺栓必須緊固、防震。
2 :原動機--減速機--工作機的各聯接軸伸.安裝后必須互相準確對準軸線。
3 :減速機輸入端及輸出端軸伸外徑尺寸公差按h6制作,與之相匹配的聯軸器、皮帶輪、鏈輪等傳動件內孔需按合適的公差尺寸配置,避免裝配過緊損壞軸承,裝配過松影響正常的動力傳遞。
4 :鏈輪、齒輪等傳動件裝上軸伸時,應盡量靠近軸承,以減少軸伸彎曲應力。
5 :減速機裝配電機時,應在蝸桿頭部內孔孔壁及鏈槽處涂抹黃油,避免裝西乙丈緊,防止軸孔日久生銹。
6 :使用各類電機直聯型減速機時.若電機重量偏大.應設支撐裝置。
蝸輪蝸桿減速機JRSTDB系列使用注意:
1 :使用前應注意檢查減速機型式結構、中心距規格、傳動比、輸入軸聯接方式、輸出軸結構、輸入軸輸出軸軸指向和回轉方向等是否符合使用要求,蝸桿輸入轉速最高不宜超過2000r/min。一般使用范圍為600-1800r/min.
2 :開機時應逐步施加載荷,不能滿載起動。
3 :型號25-90減速機僅設加油孔.出廠時減速機內已加好ISO VG320合成潤滑油。用戶無需加油.機器連續運轉約10000小時后,應該更換新潤滑油。
4 :型號110-150減速機設有加油孔、放油孔和油標,減速機內已加ISO VG460礦物潤滑油,用戶在使用前須拉掉通氣器上的栩膠環。首次運行500小時后更換新油.以后每隔約5000小時換油一次。
5 :減速機允許最高油溫為95,超過時應停機檢查。
6 :若減速機使用環境溫度超過或低于表中規定使用環境溫度5℃以上.請與我公司人員聯系。
蝸輪蝸桿減速機JRSTDB系列詳細圖紙及參數說明:






