常州市合泰電機電器有限公司 |
|
| 聯系人:于益平 | 電話:0519-88898178(總機) 0519-88385510(銷售) |
| 傳真:0519-88770911 | 地址:江蘇省常州市武進區遙觀鎮勤新村工業集中區 |
| 郵編: | 郵箱:info@ht-motor.com |
| 網址:http://www.ht-motor.com | |
產品名稱:混合式步行電機
產品型號:35BYG
使用材料:-
產品規格:-
所屬分類:混合式步進電機系列
文檔下載:點擊下載PDF文件 35BYG
產品簡介:
HYBRID STEPPING MOTOR(混合式步進電機)
General Specifications(詳細說明):
Step Accuracy………………………………………………… ±5%
Temperature Rise…………………………………………80℃ Max
Ambient Temperature Range…………………………-20℃~+50℃
Insulation Resistance………………………100MΩMin.500VC DC
Dielectric Strength………………………………500V AC for one minute
Electrical Specifications(技術數據):
.jpg)
*以上僅為代表產品,派生產品可根據客戶要求制作
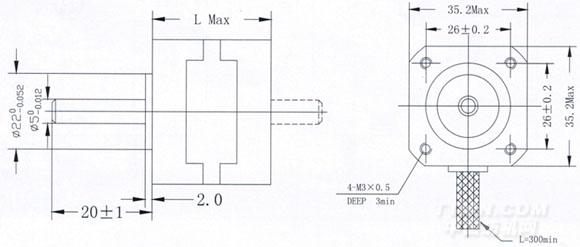
Mechanical Dimensions(外型圖)

Wiring diagram(接線圖):
.jpg)
Pulse-torque Characteristics (矩頻特性)














|
無錫二橡膠股份有限公司 |
常州市潤源經編機械有限公司 |
|
青島云龍紡織機械有限公司 |
黃石經緯紡織機械有限公司 |