常州市合泰電機電器有限公司 |
|
| 聯系人:于益平 | 電話:0519-88898178(總機) 0519-88385510(銷售) |
| 傳真:0519-88770911 | 地址:江蘇省常州市武進區遙觀鎮勤新村工業集中區 |
| 郵編: | 郵箱:info@ht-motor.com |
| 網址:http://www.ht-motor.com | |
產品名稱:混合式步行電機
產品型號:57BYG
使用材料:-
產品規格:-
所屬分類:混合式步進電機系列
文檔下載:點擊下載PDF文件57BYG
產品簡介:
HYBRIDSTEPPINGMOTOR(混合式步進電機)
GeneralSpecifications(詳細說明):
StepAccuracy…………………………………………………±5%
TemperatureRise…………………………………………80℃Max
AmbientTemperatureRange…………………………-20℃~+50℃
InsulationResistance………………………100MΩMin.500VCDC
DielectricStrength………………………………500VACforoneminute
ElectricalSpecifications(技術數據):
| 電機型號 Model |
步矩角 Step angle (º) |
機身長 Motor Length L(mm) |
相電壓 Rated voltage (V) |
相電流 Rated Current (A) |
相電阻 Phase Resistance (Ω) |
相電感 Phase Inductance (mH) |
靜轉矩 Holding Torque (Kg.cm) |
引線數 Lead Wire (NO.) |
轉動慣量 Rotor Inertia (g.cm²) |
定位力矩 Detent Torque (kg.cm) |
重量 Motor weight (kg) |
|
57BYG001-02 |
1.8 |
41 | 12.2 | 0.38 | 32 | 30 | 3.0 | 6 | 57 | 0.18 | 0.54 |
| 57BYG003-01 | 1.8 | 41 | 12 | 0.6 | 20 | 28 | 3.3 | 6 | 57 | 0.18 | 0.54 |
| 57BYG006-01 | 1.8 | 41 | 3.96 | 1.1 | 3.6 | 3.5 | 3.0 | 8 | 57 | 0.18 | 0.54 |
| 57BYG202-04 | 1.8 | 51 | 12.2 | 0.38 | 32 | 30 | 3.5 | 6 | 110 | 0.18 | 0.54 |
| 57BYG220 | 1.8 | 51 | 3.3 | 1.5 | 2.2 | 8.5 | 5.8 | 4 | 110 | 0.35 | 0.6 |
| 57BYG241 | 1.8 | 51 | 1.68 | 3 | 0.56 | 1.8 | 6.0 | 4 | 110 | 0.35 | 0.6 |
| 57BYG402 | 1.8 | 57 | 12 | 0.6 | 20 | 27 | 5.8 | 6 | 135 | 0.35 | 0.6 |
| 57BYG410 | 1.8 | 57 | 2.4 | 2.4 | 1.0 | 2.0 | 6.0 | 6 | 135 | 0.42 | 0.65 |
| 57BYG424 | 1.8 | 57 | 3.2 | 1 | 3.2 | 5.5 | 4.5 | 4 | 135 | 0.42 | 0.65 |
| 57BYG601-01 | 1.8 | 76 | 12 | 0.6 | 20 | 25 | 9.0 | 6 | 200 | 0.42 | 0.65 |
| 57BYG606 | 1.8 | 76 | 5.4 | 1.5 | 3.6 | 6.2 | 8.8 | 6 | 200 | 0.72 | 0.95 |
| 57BYG621 | 1.8 | 76 | 3.96 | 2.2 | 1.8 | 6.0 | 12.5 | 4 | 200 | 0.72 | 0.95 |
| 57BYG100-001 | 1.8 | 100 | 2.1 | 2 | 1.1 | 4.5 | 12 | 4 | 300 | 0.95 | 1.25 |
*以上僅為代表產品,派生產品可根據客戶要求制作
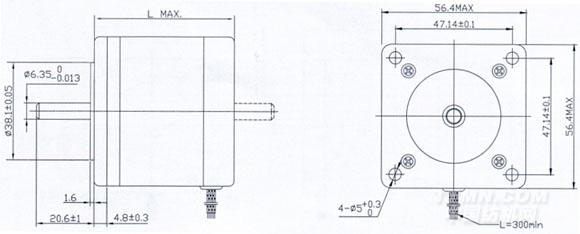
Mechanical Dimensions(外型圖)
.jpg)









|
無錫二橡膠股份有限公司 |
常州市潤源經編機械有限公司 |
|
青島云龍紡織機械有限公司 |
黃石經緯紡織機械有限公司 |