- [新聞]-->臺達:世界第一大開關電源供應商
- [新聞]-->中達電通榮獲2011年電源行業“十大知名企業品牌”稱號
- [新聞]-->中達電通:賦予自動化整體解決方案“靈性”
- [產品]-->臺達中型PLC AH500
- [產品]-->ECMA系列 標準型交流伺服電機
- [產品]-->ASDA-M系列 三軸運動控制型
產品推薦
產品分類
聯系方式
- 聯系人:何小姐
- 郵 箱:recruiting@delta.com.cn
- 地 址:上海浦東新區曹路鎮工業小區民夏路238號
- 手 機:021-58639595
- 電 話:021-58635678
- 傳 真:021-58630003
- 網 址:http://www.deltagreentech.com.cn/sc/
基于臺達B系列變頻器的卷揚機驅動系統
發布時間:2011-03-29
摘 要:本文主要介紹變頻器在卷揚機主驅動系統應用技術。實踐表明,臺達B系列變頻器完全能夠滿足客戶需求,起重行業市場打下了堅實的基礎。
關鍵字:提升,制動,抱閘
1 引言
卷揚機又稱絞車,是由動力驅動的卷筒通過撓性件(鋼絲繩、鏈條)起升、運移重物的起重裝置。它結構簡單,使用方便,廣泛應用于建筑、安裝、運輸等部門的拽引和起重作業。
卷揚機按驅動方式可分為人力驅動和機電動驅動兩大類。本文討論電力驅動型卷揚機的變頻調速驅動技術。
電動卷揚機按拽引速度可分快速和慢速兩種。快速卷揚機一般拽引速度為30-50m/min,多用于建筑工地。慢速卷揚機拽引速度為7-15m/min,主要用于設備安裝作業。
2 電動卷揚機概要
卷揚機由安裝在底盤基座上的電動機、減速機、卷筒、鋼絲繩等主體單元以及電力液壓推動器離合器、引導鋼絲繩有序卷繞的排繩器、防止卷筒自行逆轉的停止器、減速停轉的電磁制動器、電控箱等輔件組成。卷揚機外形如圖1圖片所示。

圖1 卷揚機外貌圖片
3卷揚機變頻調速設計
3.1 卷揚機變頻調速
在建筑、安裝、運輸等部門的拽引和起重作業過程中,卷揚機調速是重要的功能設計。比較通常的定速卷揚機,調速卷揚機具有的更加廣泛的作業適應性和更加優秀的作業效率和運行的安全穩定性。比較過去的繞線異步電動機等調速卷揚機,如今的變頻器調速的技術優越性不言而喻。
3.2變頻調速設計要求
(1)額定負載:12噸;超重負載:13噸。
(2)啟動力矩大,松閘向上提升,不能有溜鉤情況。
(3)重載下降時,變頻器提供足夠的制動轉矩,克服重物加速下滑。
(4)在運行過程中,有高低速度切換,并且2段加速時間。
(5)重物行程速度14米/min。
(6)由于機械制動器的存在,要求變頻器輸出轉矩與機械制動器的制動轉矩平滑切換,不產生溜鉤現象。
4 臺達B系列變頻器應用設計
4.1機電系統配置
(1)臺達B系列變頻器型號:VFD045B43A;制動單元:VFDB4045;制動電阻: 10000W/13.33歐姆。
(2)電機參數:型號:YZB250M1-6M;功率:37KW;額定轉速:982r/min;電壓:380V 電流:72.6A;5-50HZ恒轉矩;50-100恒功率。
(3)圓柱齒輪減速器:型號:ZQ650-31.5-4,傳動比:31.5,中心距:650mm。
4.2 電原理設計
基于臺達B系列變頻器的卷揚機調速系統電原理設計參見圖2。系統控制使用變頻器端子控制方式,包括正反轉控制、多功能選擇控制(MI端子)、多功能指示選擇接點(信號輸出),能耗制動由B系列變頻器配套制動單元實現。

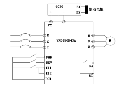
圖2 電原理設計
多功能繼電器輸出RA,RC外接機械抱閘線包,從而達到控制機械抱閘的開啟。一般變頻器都設置為運轉中指示,但變頻器在啟動和停止時的外部負載不一致,造成溜鉤發生。所以臺達針對此應用開發了機械抱閘控制,把啟動和停止的動作頻率分開,大大簡化了調試時間,很好的達到理想效果。
如果應用在快速卷揚機,因電機的減速比小,所以在松閘瞬間,變頻器要輸出180%額定扭力來確保重物不溜鉤;因此根據需要適當調整01-05,01-06的值,使變頻器能夠承受電流沖擊。
卷揚機的行程速度越快,電機的減速比越小,變頻器受到的瞬間電流會更大。電機的過載能力達到6倍額定電流,但變頻器這能達到2倍的額定電流,所以必須增大變頻器的功率,避免變頻器過載損壞,參見表1。
表1 運行時的電流輸出值
上升加速電流 上升高速電流 下行電流
7噸 54A 50A 60A
12噸 83A 70A 60A
13噸 90A 76A 60A
在下降過程中,不管重物變化,但變頻器顯示的電流基本保持不變(60A),這可能導致變頻器輸出的制動轉矩也是一致。
在快速卷揚機,要加大制動轉矩,可能需要選用2個4030制動單元,10歐姆的制動電阻。這樣在下降停止時,溜鉤行程能夠減小。
4.3 調試參數
01-00=50 最高操作頻率
01-01=50 電機額定頻率設定
01-02=380 電機額定電壓設定
01-03=3 中間頻率設定
01-04=30 中間電壓設定
01-05=0.1 最低輸出頻率設定
01-06=10 最低輸出電壓設定
01-09=10 第一加速時間設定
01-10=10 第一減速時間設定
01-11=5 第二加速時間設定
02-01=1 由外端子操作鍵盤STOP鍵有效
03-00=29 機械抱閘控制
03-13=3 機械抱閘釋放頻率
03-14=5 機械抱閘動作頻率
04-04=01 多段速一
04-05=07 第一、二家加速時間切換
05-00=50 第一段速頻率設定
06-00=0 過電壓失速防止功能無效
07-04=6 電機級數
08-16=1 無自動穩壓功能
08-17=740 軟體制動準位
F=20.00HZ
5結束語
臺達B系列變頻器具有無速度傳感器矢量控制技術,當變頻器有0.5Hz輸出時即有150%以上的高起動轉矩,保證懸空起動及低速運轉時的電機力矩,并可在1:10的速度范圍內(6-60Hz/5-50Hz)以100%轉矩連續運行。速度調速偏差小于±1%。并利用一個高速微處理器和裝備DSP來提高響應速度,在提升設備中對防止“滑落”很有效果,轉矩響應時間約0.1秒便可達到100%的轉矩。下落時,變頻器將受到較高電勢的能量釋放過程,為保證變頻器不過壓跳閘不被擊壞,增設能耗制動單元來保證變頻器的正常工作。進行制動時放電電阻與電機內部的有功損耗部分結合成制動轉矩。
參考文獻
[1]VFD-B變頻器說明書.中達電通股份有限公司
作者簡介
張 碩(1979—) 變頻器應用工程師
聯系電話 021-63012827轉218






